本文
特定計量器(はかり)の定期検査のお知らせ
定期検査の対象
次のような目的に使用するはかりは、定期検査の対象になります。
・商店等で商品の目方を計り、取引に用いる場合
・薬局等で薬の調合に用いる場合
・病院・学校等で健康診断の体重測定に用いる場合
上記内容については、検定証印の附されているはかりを使用しなければなりません。
また、はかりの使用者には定期的に知事の行う定期検査を受けて、はかりの構造・器差等の正確性を維持し、計量取引の安全確保が義務づけられています。
令和8年度定期検査の日程
| 検査会場・住所 | 検査日 | 検査時間 | ||||||||
| 身延保健センター 1階(身延支所横) 身延町梅平2483-36 |
5月27日(水曜日) | 午前10時~12時 午後1時~2時 |
||||||||
| 中富総合会館 1階 身延町切石360 |
5月28日(木曜日) | 午前10時~12時 午後1時~2時 |
||||||||
注意事項
・取引や証明に使用するはかり等は定期検査を受けることが法律で義務付けられおり(検査を受けないと罰金に処せられる場合があります)平成22年度から指定定期検査機関が検査を実施しています。
・検査手数料は現金で徴収いたします。
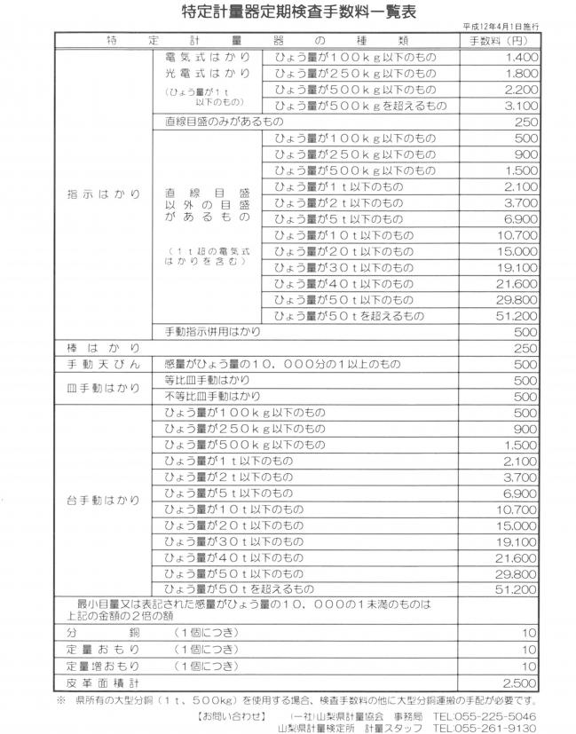
手数料については、一覧表をご参照ください。

・分銅、定量おもり、定量増おもりは付属しているものを全てを使わないと検査が出来ません。普段は一部しか使っていない場合でも、必ず全てをご持参ください。
また汚れをよく落とし、運搬するときはストッパーをして(付いていない場合は、はかりの台と皿の間に新聞紙など入れて指針が揺れないようにしてください)ご持参ください。
・ひょう量が250kg以上の大型はかりは、所在場所にて受験するよう手続きをお願いします。下記申請書を(一社)山梨県計量協会へ提出してください。
所在場所定期検査申請書申請様式 [Wordファイル/33KB]
・定期検査に代わる計量士による検査(代検査)を受検したい場合は、県の代検査に関するページ<外部リンク>を参照してください。
・購入して間もないはかりについては検査が免除になる場合がありますので、下記の検定所までお問い合わせください。
検査に関するお問い合わせ先
山梨県産業労働部計量検定所
電話番号:055-261-9130
FAX番号:055-261-9132
住所:〒406-0035 笛吹市石和町広瀬785
HP:https://www.pref.yamanashi.jp/keiryo/teikikensa-oshirase.html<外部リンク>





